Technical Parameter
型号
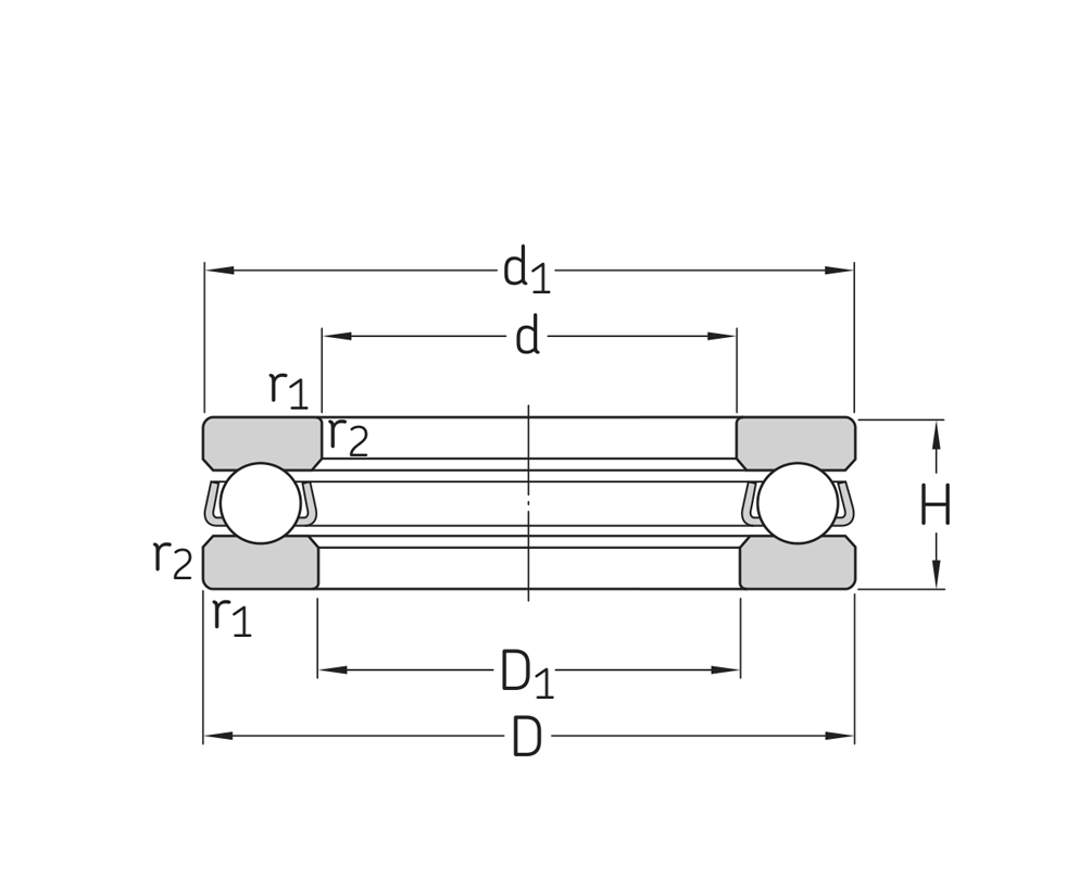
主要尺寸及数据
d 20 mm 孔径
D 35 mm 外径
H 10 mm 高度
d1 ≈ 35 mm 轴圈外径
D1 ≈ 21 mm 座圈内径
r1.2 min 0.3 mm 倒角尺寸
m 0.037 kg 质量
安装尺寸
da min 29 mm 轴挡肩直径
Da max 26 mm 轴承座挡肩尺寸
ra max 0.3 mm 倒角半径
其他数据
Ca 15.18 kN 基本额定载荷动态
Coa 29.15 kN 基本额定载荷静态
Pua 1.09 kN 疲劳载荷极限
nB 7537.5 r/min 参考转速
nG 10050 r/min 极限转速
Copy right: Shandong KMR Bearing S&T Co., Ltd 鲁ICP备12024828号-1