32232T179/DB
Technical Parameter
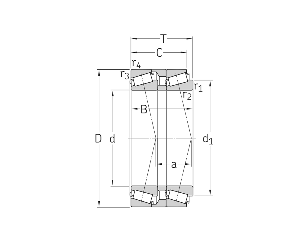
型号
主要尺寸及数据
d 160 mm 内径
D 290 mm 外径
T 179 mm 总宽度
d1 ≈ 222 mm 内圈挡边直径
C 145 mm 外圈宽度
l 11 mm 隔圈宽度
b 6 mm 润滑槽宽度
k 4.5 mm 润滑孔直径
r1,2 min 4 mm 倒角尺寸
r5 min 1 mm 倒角尺寸
a 150 mm 压力点的间距
m 49 kg 质量
安装尺寸
db min 178 mm 轴挡肩直径
Db min 274 mm 轴挡肩直径
Cb min 17 mm 小端面上轴承座内所需空间的最小宽度
ra max 4 mm 圆角半径
rc max 1 mm 圆角半径
其他数据
e 0.43 计算系数
Y1 1.6 计算系数
Y2 2.3 计算系数
Y0 1.6 计算系数
Cr 1602 kN 基本额定动载荷
Cor 2800 kN 基本额定静载荷
Pur 265 kN 疲劳载荷极限
nB 1300 r/min 参考转速
nG 2200 r/min 极限转速
Copy right: Shandong KMR Bearing S&T Co., Ltd 鲁ICP备12024828号-1