Technical Parameter
型号
轴承 AXK80105 轴承
通用垫圈 LS80105 通用垫圈
通用薄垫圈 AS80105 通用薄垫圈
轴圈 WS81116 轴圈
座圈 GS81116 座圈
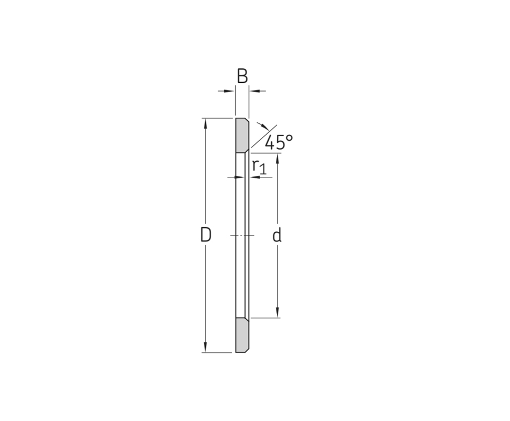
主要尺寸及数据
d 80 mm 内径
D 105 mm 外径
B 5.75 mm 宽度
d1≈ 105 mm 挡肩直径
D1≈ 82 mm 挡肩直径
r1,2min 1 mm 倒角尺寸
m 63 g 轴承质量
m1 151 g 垫圈LS、WS、GS质量
m2 28 g AS质量
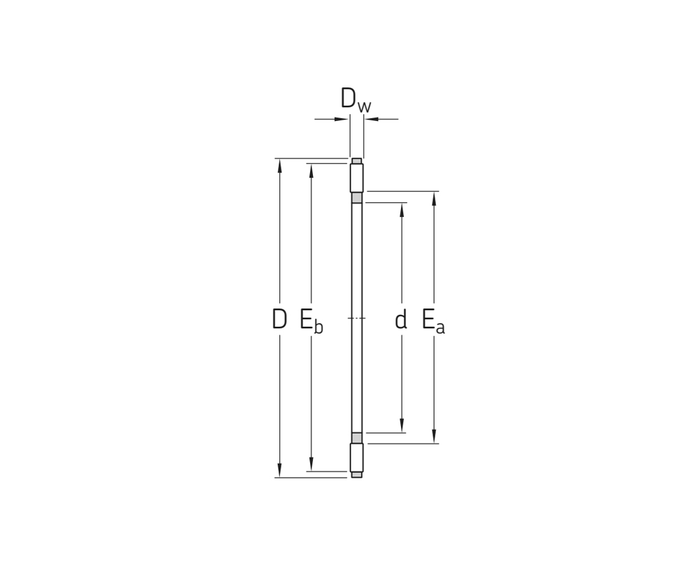
安装尺寸
Dw 4 宽度
Eamin 84 内滚道尺寸
Ebmax 103 外滚道尺寸
其他数据
Cr 51 kN 基本额定动载荷
Cor 280 kN 基本额定静载荷
Pur 34 kN 疲劳载荷极限
nB 1700 r/min 参考转速
nG 3400 r/min 极限转速
Copy right: Shandong KMR Bearing S&T Co., Ltd 鲁ICP备12024828号-1