6202-2RSLTN9/HC5C3WT
Technical Parameter
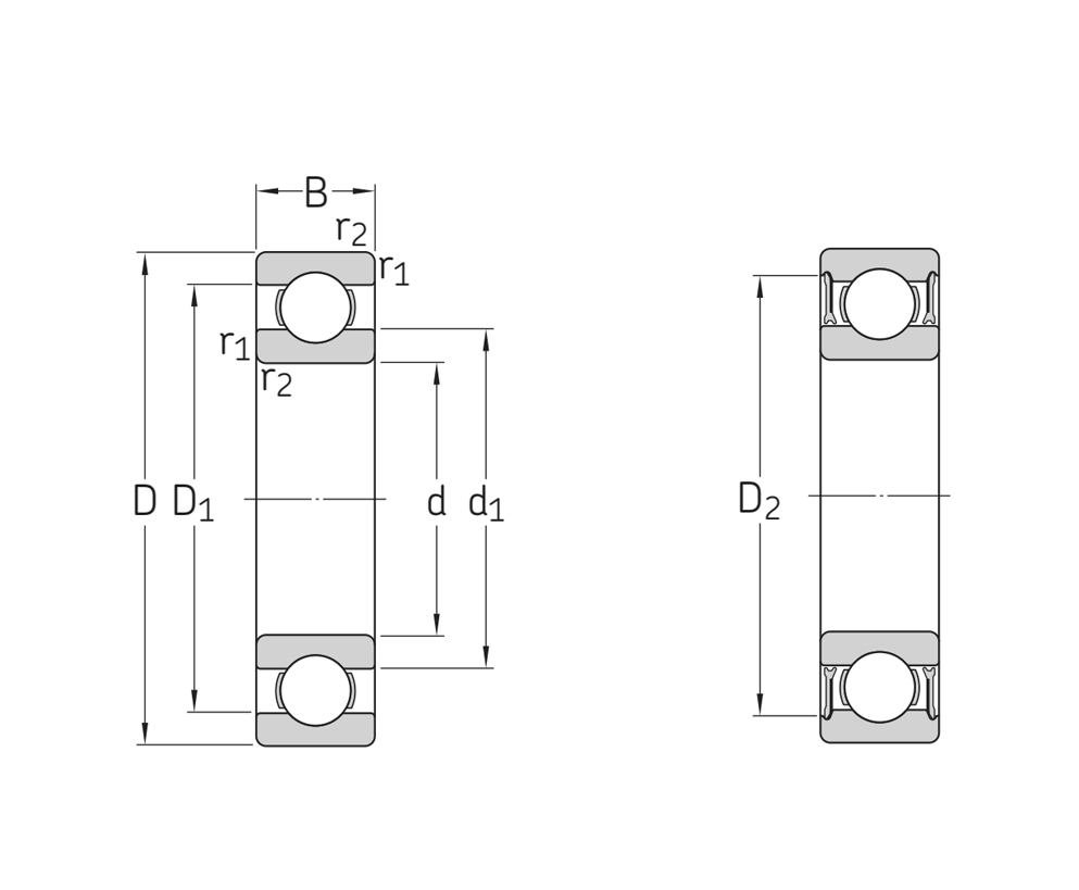
型号
主要尺寸及数据
d 15 mm 内径
D 35 mm 外径
B 11 mm 宽度
d2≈ 19.4 mm 内圈挡边凹槽直径
D2≈ 30.4 mm 凹槽直径外圈肩部
r1,2min 0.6 mm 倒角尺寸
m 0.044 g 质量
安装尺寸
damin 19.2 mm 轴挡肩直径
damax 19.4 mm 轴挡肩直径
Damax 30.8 mm 轴承座挡肩尺寸
ramax 0.6 mm 倒角半径
其他数据
Cr 8.1 kN 基本额定动载荷
Cor 3.8 kN 基本额定静载荷
Pur 0.16 kN 疲劳载荷极限
nB 50000 r/min 参考转速
nG 22000 r/min 极限转速
kr 0.025 计算系数
f0 13 计算系数
Copy right: Shandong KMR Bearing S&T Co., Ltd 鲁ICP备12024828号-1