Technical Parameter
型号
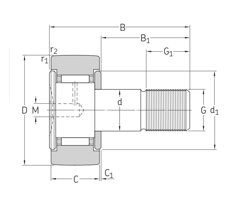
主要尺寸及数据
d 13 mm 内径
D 22 mm 外径
B 36 mm 长度
C 12 mm 外圈宽度
B1 23 mm 螺栓柱柄的长度
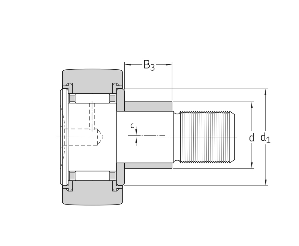
B3 10 mm 锁定套的宽度
C1 0.6 mm 外圈到垫圈侧面的距离
d1 17.5 mm 挡边外径
G M10x1 mm 螺纹螺柱
G1 12 mm 螺纹长度
M 4 mm 轴承位直径的润滑附件
SW 5 mm 对边宽度
c 0.5 mm 偏心率
r1,2min 0.3 mm 倒角尺寸
M 0.047 kg 质量
其他数据
Cr 4.4 kN 基本额定动载荷
Cor 5 kN 基本额定静载荷
Pur 0.56 kN 疲劳载荷极限
F1max 4.25 kN ******径向载荷动态
F0rmax 6 kN ******径向载荷静态
nG 5300 r/min 极限转速
Copy right: Shandong KMR Bearing S&T Co., Ltd 鲁ICP备12024828号-1