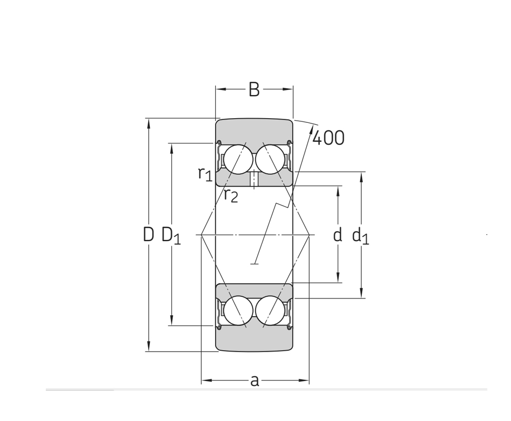
Technical Parameter
型号
轴承 305705C-2Z 轴承
带圆柱孔 62 带圆柱孔
主要尺寸及数据
d 25 mm 内径
D 20.6 mm 外径
B 62 mm 宽度
d1 32.7 mm 内圈挡边/凹槽处直径
D1 45.9 mm 外圈凹槽直径
r1,2min 1.0 mm 倒角尺寸
a 305805C-2Z mm 压力点距离
m 15.3 kg 质量
其他数据
Frmax 21.6 kN ******径向载荷动态
Formax 6000 kN ******径向载荷静态
nG 18.6 r/min 极限转速
Cr 12 kN 基本额定动载荷
Cor 0.5 kN 基本额定静载荷
Pur 0.32 kN 疲劳载荷极限
Copy right: Shandong KMR Bearing S&T Co., Ltd 鲁ICP备12024828号-1