305800 C-2Z
Technical Parameter
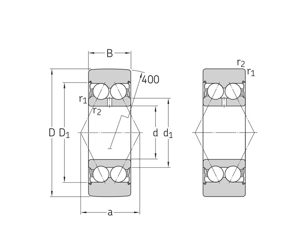
型号
带凸面外圈运行表面的球滚动体滚轮轴承 305800 C-2Z 带凸面外圈运行表面的球滚动体滚轮轴承
圆柱形运行表面 圆柱形运行表面
主要尺寸及数据
D 32 mm 外径
d 10 mm 孔径
B 14 mm 宽度
d1 ≈ 15.8 mm 内圈挡边/凹槽处直径
D1 ≈ 25 mm 外圈凹槽直径
r1,2 0.6 mm 最小值倒角尺寸
m 0.062 kg 质量
其他数据
Cr 6.76 kN 基本额定载荷动态
Cor 3.6 kN 基本额定载荷静态
Pur 0.153 kN 疲劳载荷极限
Fr 4.4 kN ******径向动载荷
F0r 6.3 kN ******径向静载荷
nG 11000 r/min 极限转速
Copy right: Shandong KMR Bearing S&T Co., Ltd 鲁ICP备12024828号-1