6020-2Z/VA208
Technical Parameter
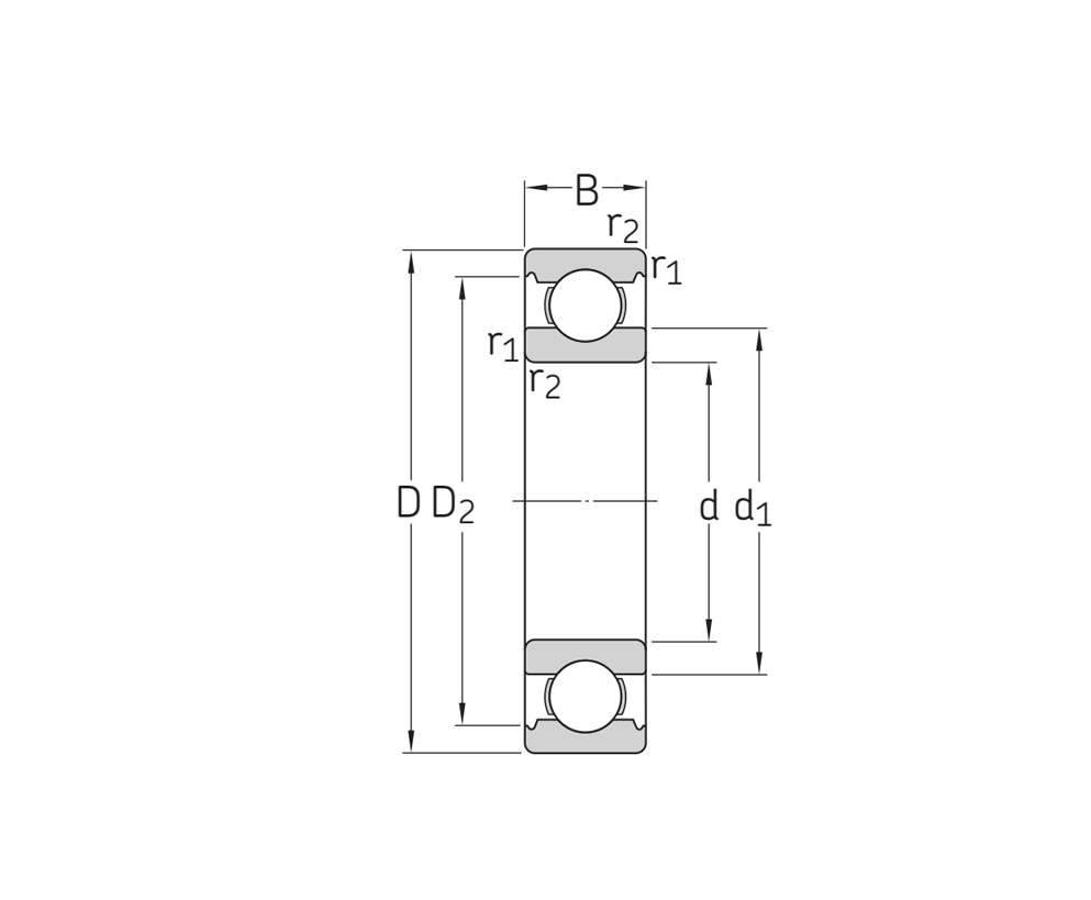
型号
主要尺寸及数据
d 100 mm 内径
D 150 mm 外径
B 24 mm 宽度
d1≈ 115 mm 内圈挡边直径
D2 139 mm 外圈挡边凹槽直径
r1,2min 1.5 mm 倒角尺寸
m 1.35 kg 质量
其他数据
Cor 54.8 kN 基本额定静载荷
nG 40 r/min 极限转速
Tmax 350 °C 极限温度
Copy right: Shandong KMR Bearing S&T Co., Ltd 鲁ICP备12024828号-1