Technical Parameter
型号
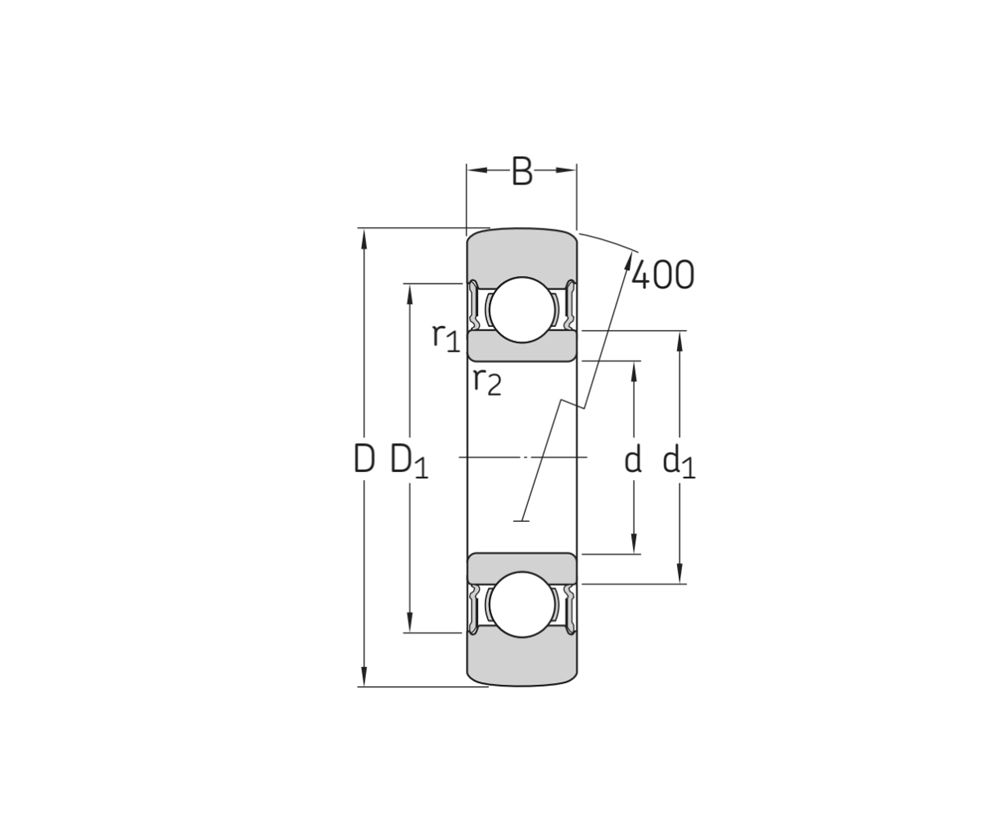
主要尺寸及数据
d 62 mm 内径
D 25 mm 外径
B 15.0 mm 宽度
d1 34.3 mm 内圈挡边/凹槽处直径
D1 46.3 mm 外圈凹槽直径
r1,2min 1.0 mm 倒角尺寸
m 0.24 kg 质量
其他数据
Cr 13.0 kN 基本额定动载荷
Cor 7 kN 基本额定静载荷
Pur 0.29 kN 疲劳载荷极限
F1max 12.9 kN ******径向载荷动态
F0rmax 18.6 kN ******径向载荷静态
nG 6300 r/min 极限转速
f0 14 计算系数
Copy right: Shandong KMR Bearing S&T Co., Ltd 鲁ICP备12024828号-1