BMD-6206/064S2/UA008A
Technical Parameter
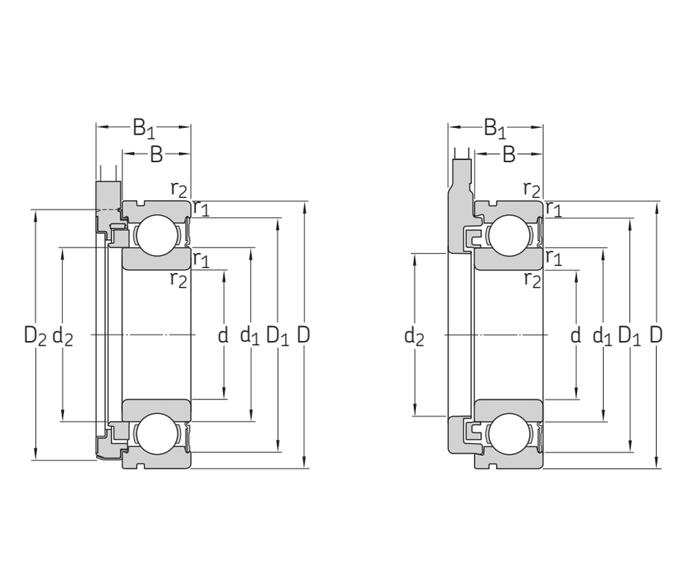
型号
主要尺寸及数据
d 30 mm 内径
D 62 mm 外径
B 16 mm 宽度
d1≈ 40.3 mm 挡肩直径
d2≈ 37.4 mm 挡肩直径
D1≈ 54.1 mm 挡肩直径
D2≈ 58.1 mm 挡肩直径
D3 ≈ 59.61 mm 挡肩直径
B1 22.2 mm 角圈宽度
b 1.9 mm 内圈宽度
C 3.28 mm 外圈宽度
r0 0.6 mm 倒角尺寸
r1,2min 1 mm 倒角尺寸
m 0.22 kg 质量
安装尺寸
da 、db min 35 mm da 、db min
dbmax 40 mm dbmax
Damax 57 mm Damax
ramax 1 mm ramax
其他数据
Cr 19.5 kN 基本额定动载荷
Cor 11.2 kN 基本额定静载荷
Pur 0.475 kN 疲劳载荷极限
nG 7500 r/min 极限转速
kr 0.025 计算系数
f0 14 计算系数
Copy right: Shandong KMR Bearing S&T Co., Ltd 鲁ICP备12024828号-1