Technical Parameter
型号
锁紧螺母 HM 46 T 锁紧螺母
相关锁紧垫圈 - 相关锁紧垫圈
扳手 TMFN 40-52 扳手
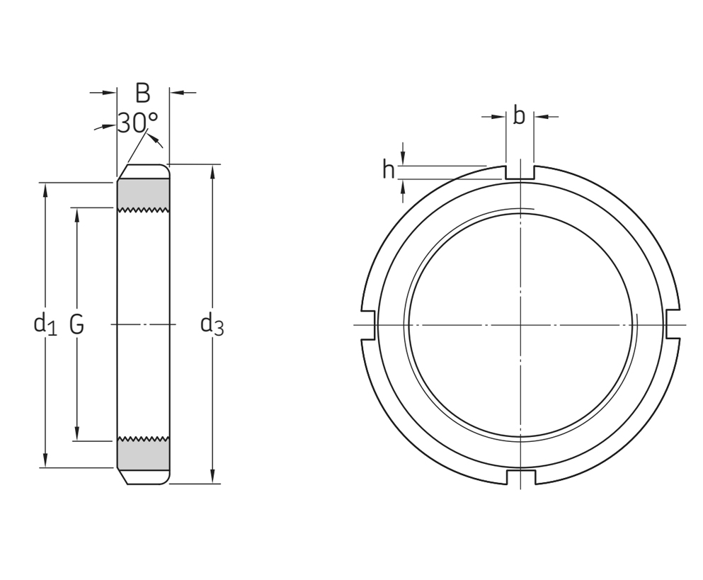
主要尺寸及数据
G Tr 230x4 mm 螺纹
d1 260 mm 内径
d3 290 mm 外径
B 34 mm 宽度
b 20 mm 螺钉宽度
h 10 mm 螺钉宽度
m 5.45 kg 质量
Copy right: Shandong KMR Bearing S&T Co., Ltd 鲁ICP备12024828号-1