Technical Parameter
型号
锁紧螺母 HM 3080 锁紧螺母
相关锁定扣 MS 3080-76 相关锁定扣
扳手 TMFN 64-80 扳手
吊环螺栓 吊环螺栓
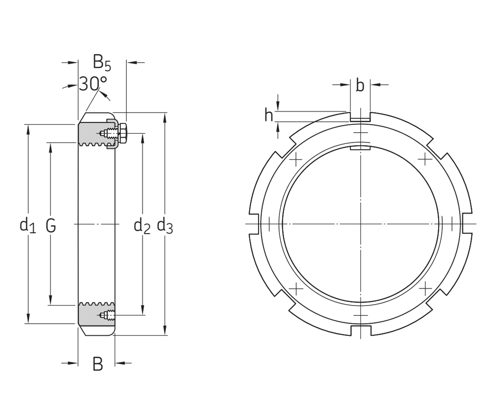
主要尺寸及数据
G Tr 400x5 mm 螺纹
d1 442 mm 定位侧面直径
d2 419 mm 防松扣的螺纹口节圆直径
d3 470 mm 外径
B 52 mm 宽度
B5 66 mm 防松扣的宽度
b 28 mm 定位槽宽度
h 14 mm 定位槽深度
m 17 kg 质量
Copy right: Shandong KMR Bearing S&T Co., Ltd 鲁ICP备12024828号-1