1726204-2RS1
Technical Parameter
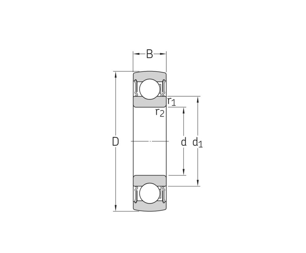
型号
主要尺寸及数据
d 20 mm 孔径
D 47 mm 外径
B 14 mm 内圈宽度
d1 ≈ 28.8 mm 内圈外径
r1,2 min 1 mm 内圈倒角尺寸
m 0.1 kg 质量
其他数据
Cr 12.7 kN 基本额定动载荷
Cor 6.55 kN 基本额定静载荷
Pur 0.28 kN 疲劳载荷极限
nG 10000 r/min 极限转速
Copy right: Shandong KMR Bearing S&T Co., Ltd 鲁ICP备12024828号-1