ZKLN2052-2RS
Technical Parameter
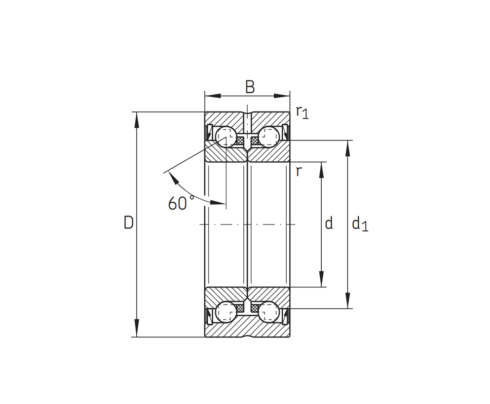
型号
主要尺寸及数据
d 20 mm 内径
D 52 mm 外径
B 28 mm 宽度
d1≈ 34.5 mm 挡肩直径
r min 0.3 mm 倒角半径
r1 min 0.6 mm 倒角半径
m 0.31 ≈kg 质量
安装尺寸
Da max 43 mm 座挡肩直径
da min 25 mm 轴挡肩直径
其他数据
Cr 26000 N 基本额定动载荷
Cor 47000 N 基本额定静载荷
nG 3000 r/min 极限转速
MRL 0.3 Nm 轴承摩擦力矩
CaL 650 N/μm 刚度轴向
CkL 140 Nm/mrad 倾覆刚度
Mm 0.273 kg·cm2 质量惯性矩
M 2 μm 轴向跳动
Copy right: Shandong KMR Bearing S&T Co., Ltd 鲁ICP备12024828号-1