BSB045100-T
Technical Parameter
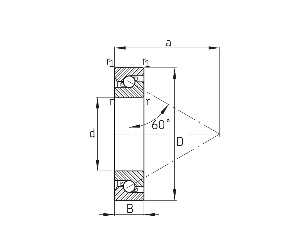
型号
主要尺寸及数据
d 45–0.006 mm 内径
D 100–0.008 mm 外径
B 20–0.12 mm 宽度
r,r1min 1.5 mm 倒角尺寸
a 75 mm 压力点距离
m 0.81 ≈kg 质量
安装尺寸
DaH12 85.5 mm 座挡肩直径
daH12 64.5 mm 轴挡肩直径
其他数据
Cr 62000 N 基本额定动载荷
Cor 172000 N 基本额定静载荷
nG 2700 r/min 极限转速
MRL 0.3 Nm 轴承摩擦力矩
caL 1473 N/μm 刚度轴向
M 2 μm 轴向跳动
Copy right: Shandong KMR Bearing S&T Co., Ltd 鲁ICP备12024828号-1