QJ326N2MA
四点接触球轴承结构与单列角接触球轴承基本相同,通常由双内圈、外圈、钢球、保持架等零件组成。特殊设计的滚道,使其除可承受径向载荷外,还可以承受双向的轴向载荷。该类型轴承轴向占用空间比双列角接触球轴承更小。
Technical Parameter
型号
型号 QJ326N2MA 型号
主要尺寸及数据
d 130 mm 内径
D 280 mm 外径
B 58 mm 宽度
d1≈ 147 mm 挡边直径
D1 ≈ 263 mm 挡边直径
r1.2 min 3 mm 倒角尺寸
α 19.5 mm 距离负荷点
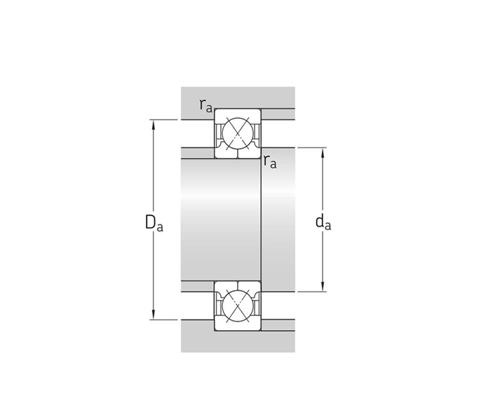
安装尺寸
da min 227 mm 轴挡肩直径
da max 4 mm 轴承座挡肩尺寸
ra max 144 mm 倒角半径
其他数据
Cr 457.28 kN 基本额定载荷动态
Cor 613.05 kN 基本额定载荷静态
Pur 18.09 kN 疲劳载荷极限
nG 4020 r/min 极限转速
A 1.06 计算系数
Copy right: Shandong KMR Bearing S&T Co., Ltd 鲁ICP备12024828号-1